CYB530型氣體微差壓變送器
- 關 鍵 字:???CYB530型,氣體微差壓變送器,氣體壓差傳感器
- 生產廠家:???澤天傳感
- 產品型號:???CYB530
- 數據手冊: CYB530氣體微差壓變送器.pdf
- 產品特點:???氣體微差壓變送器
- 典型應用:???氣體微差壓變送器
CYB530型氣體微差壓變送器采用硅疊硅和先進的壓力傳感器制造技術,融合特殊的補償放大電路,組成性能優越的差壓變送器,激光焊接封裝在不銹鋼殼體內。整個產品經過了元器件、半成品及成品的嚴格測試及老化篩選,性能穩定可靠。它具有全溫區范圍補償及線性補償,保證產品精度高、溫度影響小、長期穩定性好、耐惡劣環境影響等特點。產品具有一體化結構,防護性能優越,抗振動沖擊,抗強電磁干擾,5倍以上過載。優良的可靠性、小巧美觀的外型、多種接口形式和電氣連接,方便安裝使用。
特點
適用通用型微小氣體差壓測量;
精度高,全溫區溫度補償,溫度影響小;
線性好,重復性好,遲滯小,長期穩定性好;
體積小巧,易于安裝;
全不銹鋼激光焊接,耐振動沖擊,防射頻干擾,適合惡劣環境;
反極性保護和瞬間過電流過電壓保護,符合EMI防護要求。
可現場顯示;
壓力接口形式多樣,可定制。
應用領域
管道風差壓,空調機房;
精密儀表,空氣流量控制等。
技術參數
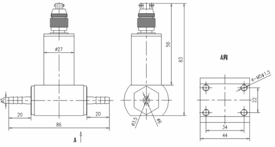
典型外形尺寸
選型指南
選型示例: CYB530─(0~100)KPaS4A5C4, 表示壓力量程為(0~100)KPa;輸出信號為兩線制4~20mA;測量精度:0.5級;電氣連接為航空電連接器。
注:
1、選型表中默認的供電電壓為24VDC,介質溫度為常溫,壓力類型為表壓;
2、本產品可提供定制,特殊螺紋規格、輸出信號、供電電壓、電氣連接、介質溫度、壓力類型、材質、防護等級請明確說明或聯系廠家。


